Jova Heater Kuru Tip Kabin Isıtıcı
JOVA Heater Kuru Tip Kabin Isıtıcı | Kış Güneşiniz
JOVA Heater Kuru Tip Kabin Isıtıcı | Kış Güneşiniz
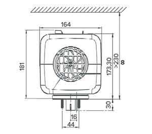
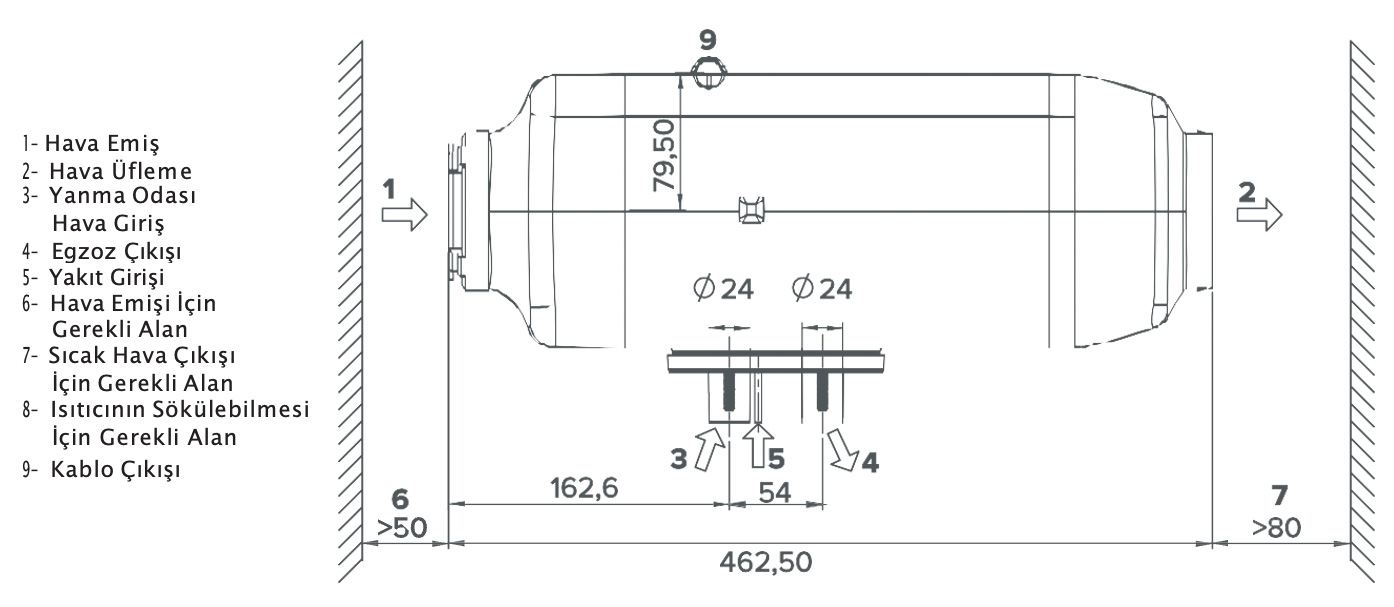
Jova N120 Kuru Tip Dizel Isıtıcı 41 - 50 m3 hacimli kara veya deniz araçları için ideal performansı sağlar.



ISO 10002 kalite standartları gereği geri bildirimlerinizi aşağıdaki iki buton aracılığıyla iletebilirsiniz.